
Structural characteristics, performance and scope of application
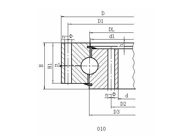
The single-row four-point contact spherical slewing bearing is composed of two seat rings. It has compact structure, light weight, and four-point contact between steel ball and arc raceway. It can bear axial force, radial force and overturning moment at the same time. Rotary conveyor, welding operator, small and medium cranes and excavators are optional construction machinery.

Note:
1. n1 is the number of lubricating oil holes, evenly distributed: oil cup M10×1 JB/T7940.1-JB/T7940.2
2. The mounting holes n-dn1 and n-dn2 can be changed to screw holes; the tooth width b can be changed to H-h.